ich hoffe, alle hatten ein schönes Weihnachtsfest

Ich brauche Hilfe bei der Umrüstung meiner DK41A (als Sk42B Bj 1990 mit 20KW eingetragen). Ich will es so einfach, leicht (Gewicht) und simpel (Menge der Teile und Kabel) wie möglich haben, da ich nicht viel Straße fahren möchte. Zulassung und TüV muss sie aber bekommen, sonst kann ich an machen Veranstaltungen nicht teilnehmen.
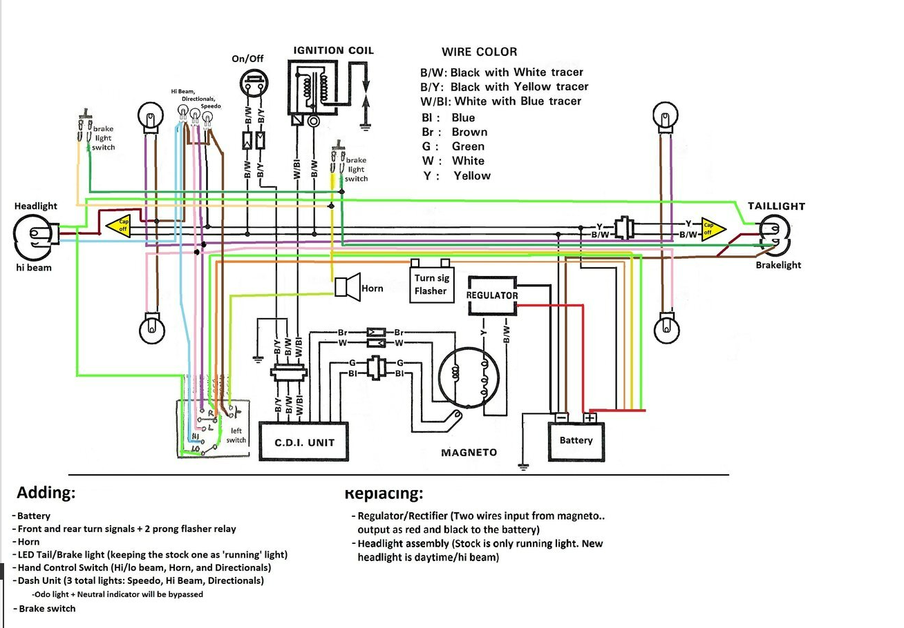
Bei der Elektrik habe ich den folgenden Thread gefunden https://www.thumpertalk.com/forums/topi ... ring-help/
Den angehängten Schaltplan habe ich im ebenso dort gefunden. Leider sind genau die Teile, die er verbaut hat, in DE nur schwer zu bekommen. Ein 1 zu 1 Nachbau damit nicht wirklich möglich.
Folgendes habe ich aber verstanden:
Ich bräuchte nun demnach einen geeigneten Gleichrichter mit Regulator(Spannungsregler?) (z.B. den der DR350S?!) und eine Batterie. Kann ich hier auch einen Batterie Eliminator (z.B. den von KEDO nutzen)? Eine Batterie einzubauen finde ich sinnlos, ich möchte ja extra eine leichte Maschine und Lifepo ist mir zu teuer.
Hat jemand da Ahnung, kann mir alternative Teile verlinken etc.? Das wäre großartig!
Ab der "Batterie" habe ich nur LEDs verbaut (bis auf 35W Polisport Scheinwerfer vorne) und natürlich eine Hupe. Als Tacho dient mir ein Koso Tacho DB EX-02, da finde ich keine Wattzahl, sollte aber kaum der Rede wert sein. Andere abnehmer habe ich nicht.
Ich freue mich über Eure Hilfe und danke Euch schon im Voraus dafür.
Beste Grüße
John