Seite 1 von 1
					
				wie viele Kabel gehen an die Zündspule?
				Verfasst: 07.11.2024 08:53
				von Hecke77
				Hallo Gemeinde,
meine kleine ist aus dem Baujahr 1992 und seit dem ich ein wenig an ihr geschraubt habe, springt sie nicht mehr an.
geschraubt habe ich
- Ölwechsel
- + Kabel erneuert
- Membrane vom Vergaser
und sonst nix weiter, und nun springt Sie nicht mehr an und ich habe auch keinen Zündfunken.
kann mir jemand sagen, wie viele Kabel an die Zündspule gehen? bzw. kann mir jemand mal bitte ein Foto schicken, wie es bei ihm ausschaut? 
Danke für eure Hilfe.
Grüße
			 
			
					
				Re: wie viele Kabel gehen an die Zündspule?
				Verfasst: 08.11.2024 13:56
				von Dumbo 2004
				kann mir jemand sagen, wie viele Kabel an die Zündspule gehen?
Das ist abhängig von der Anzahl der Pickups der Lichtmaschine.
Kommt darauf an, welche Du hast.
Nutz mal die Suchfunktion mit dem Begriff "Pickups" oder ähnliche. Dort wirst Du vermutlich schon fündig.
- + Kabel erneuert
und sonst nix weiter,
Welche Kabel hast Du denn alle erneuert?
 
			
					
				Re: wie viele Kabel gehen an die Zündspule?
				Verfasst: 08.11.2024 15:25
				von Hecke77
				Danke für die Antwort.
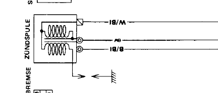
Ich habe zwei Kabel die an die Zündspule gehen aber laut Stromlaufplan, sind es 3 
			
		
				
			 
- Zündspule.png (7.25 KiB) 916 mal betrachtet
 
und daher meine Verwirrung. 
getauscht habe ich das Haupt Pluskabel, das war noch bei mir eins mit Stoffisolation, bis zu einem gewissen punkt und dann das (ich denke mal)) Pluskabel was zur Zündspule geht, von diesem Kabel geht auch noch ein Abzweig ab, auf ein Weiß/ Blaues Kabel und auf ein Rot/Weißes.
ich habe mal Bilder angehangen das man es hoffentlich besser sieht was ich meine.
 
			
					
				Re: wie viele Kabel gehen an die Zündspule?
				Verfasst: 08.11.2024 15:55
				von Dumbo 2004
				Ich vermute mal, das obere Bild ist aus dem WHB, welches hier als PDF auch unterwegs ist.
Da gibt es verschiedene Stromlaufpläne.
Einmal für die Vertsion mit einem Pickup und einmal für die mit zwei.
von diesem Kabel geht auch noch ein Abzweig ab, auf ein Weiß/ Blaues Kabel und auf ein Rot/Weißes.
Ich hab den Stromlaufplan nicht auswendig gelernt  
 
 
Wenn Du den richtigen hast, sollte auch ersichtlich sein, welches Kabel wohin führt...
 
			
					
				Re: wie viele Kabel gehen an die Zündspule?
				Verfasst: 08.11.2024 16:05
				von Hecke77
				ja genau das ist aus dem WHB. 
hast du oder jemand anderes noch die anderen Stromlaufpläne?
			 
			
					
				Re: wie viele Kabel gehen an die Zündspule?
				Verfasst: 08.11.2024 16:54
				von markus dr350
				Hallo
das weiß/rote Kabel müsste Drehzahlmesser sein und geht direkt  in die CDI ( in den viererstecker ) .
Das hat denke ich nichts an dem weiß /blauen zu suchen.
Die Modelle mit zwei Impulsgebern haben das schwarz / blaue Kabel nicht im Schaltplan , 
Wenn ich morgen Zeit habe nehme ich an meiner 91er DR mal den Tank runter und schaue ob da ein schwarz/blaues Kabel ist
			 
			
					
				Re: wie viele Kabel gehen an die Zündspule?
				Verfasst: 08.11.2024 16:55
				von Dumbo 2004
				aus dem WHB. 
Hast Du das als Papierform oder als PDF?
In der Auswahl der PDF´s gibt es auf jeden Fall einige Versionen mit Stromlaufplan für beide Versionen ( 1 oder 2 Pickups)
Musst Du nur etwas suchen  

 
			
					
				Re: wie viele Kabel gehen an die Zündspule?
				Verfasst: 09.11.2024 16:03
				von Hecke77
				danke für eure Antworten
ich bin schon ein wenig weiter
- Kill Schalter io
- Seitenstränderschalter io
- LIMA io
- Züündspule io
- Zündschloß io
- Regler / Gleichrichter ganz Großes Fragezeichen. erstens kommt da ein Orangenes Kabel aus dem Kabelbaum, aber im Stecker des Gleichrichters gibt es garkeinen Anschluss??? (nur für das Rote und Schwarze Kabel) 
Und die gemessenen Werte passen absolut nicht zu dem was im WHB steht! 
kann man davon ausgehen das die Werte im WHB zu denen was raus kommt passen sollte? oder kann das arg variieren? 
jetzt bin ich gerade dabei die CDI durch zumessen und da ist mir bei der Kombination 
G - W/BL und BL - W/BL bekomme ich einen Open Loop bzw. die Ohm werte klettern bis zum Open LOOP
hat das vielleicht auch mal einer gemessen?